| Kiểu xả | Xả 2 nhấn 4.5/3 Lít |
| Hệ thống xả | Hệ thống xả xoáy Tornado siêu mạnh, siêu êm, tiết kiệm nước |
| Men sứ chống bám bẩn | Men sứ chống dính, chống bám bẩn CEFIONTEC |
| Vòi xịt | Không bao gồm |
| T cầu | Có |
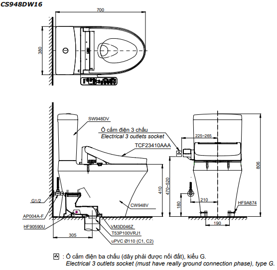
| Kích thước | L700 x W380 x H806 (mm) |
| Tâm xả | 305mm |
| Đường kính ống thoát | 63mm |
| Áp lực nước dử dụng | 0.05-0.70 Mpa |
| Phụ kiện kèm theo | Phụ kiện lắp đặt, không bao gồm bích nối sàn, van dừng |
| Bảo hành | Nhấp để xem chính sách bảo hành |
Bồn cầu hai khối TOTO CS948DW16 nắp rửa C2 - TCF23410AAA. Thiết kế hai khối với đường nét tinh giản, cùng màu trắng thanh lịch mang lại vẻ hiện đại cho không gian.
Sản phẩm đến từ thương hiệu thiết bị vệ sinh cao cấp TOTO Nhật Bản
• Men sứ chống dính, chống bám bẩn CEFIONTECT
• Hệ thống xả xoáy Tornado siêu mạnh, siêu êm, tiết kiệm nước
• Công nghệ nước điện phân khử khuẩn Ewater+ (Vệ sinh vòi rửa)
• Vòi rửa massage đa chức năng, rửa sạch, êm ái
• Tự vệ sinh vòi rửa trước và sau khi sử dụng
• Sấy khô, khử mùi, sưởi ấm nắp ngồi
1. Mô tả chi tiết bàn cầu hai khối, kèm nắp rửa điện tử WASHLET dòng C2 CS948DW16
Bàn cầu hai khối, kèm nắp rửa điện tử WASHLET dòng C2 CS948DW16 có thiết kế thân dài, thân kín hiện đại và tiên tiến, hạn chế tối đa tình trạng bám bẩn và vi khuẩn. Các chi tiết sản phẩm được thiết kế vô cùng tối giản để có thể kết hợp hài hòa với những đồ nội thất khác trong không gian nhà vệ sinh của mọi gia đình.
Bàn cầu hai khối, kèm nắp rửa điện tử WASHLET dòng C2 CS948DW16 là sản phẩm bàn cầu thông minh dễ dàng lắp đặt và sử dụng với nhiều tính năng vượt trội. Đặc biệt sản phẩm tiết kiệm nước với mức xả 4.5L/3L phù hợp với lối sống hiện đại.
2. Tính năng công nghệ bàn cầu hai khối, kèm nắp rửa điện tử WASHLET dòng C2 CS948DW16
2.1. Men sứ chống dính CEFIONTECT bền bỉ
Bàn cầu hai khối, kèm nắp rửa điện tử WASHLET dòng C2 CS948DW16XW được tráng lớp men sứ chống dính CEFIONTECT nên luôn bền bỉ theo thời gian. Không những vậy, lớp men sứ này còn vô cùng mịn màng, khoảng trống trên bề mặt sứ siêu nhỏ. Điều này vừa khiến cho chất thải không thể bám dính vừa tạo lớp bóng cho bàn cầu, tăng tính thẩm mỹ cho sản phẩm.
2.2. Hệ thống xả xoáy TORNADO mạnh mẽ, hiệu quả (4.5L/3L)
Bàn cầu hai khối, kèm nắp rửa điện tử WASHLET dòng C2 CS948DW16XW với hệ thống xả xoáy TORNADO mạnh mẽ, hiệu quả và siêu tiết kiệm nước giúp làm sạch sẽ mọi khu vực chất thải dễ bám dính chỉ với hai đường xả nhỏ. Với tính năng xả mạnh nhưng vẫn đạt yêu cầu tiết kiệm nước, sản phẩm sẽ giúp giảm thiểu thời gian làm sạch, tẩy rửa.
2.3. Thiết kế RIMLESS không vành giúp ngăn chặn mảng bám
Thiết kế RIMLESS hay còn gọi là thiết kế vành kín. Đây là một tiến bộ đáng chú ý trong công nghệ bàn cầu được sáng tạo bởi TOTO. Với thiết kế này, bàn cầu không có vành bên trong và tạo ra một bề mặt phẳng và liền mạch. Nhờ đó, RIMLESS đã giúp ngăn chặn sự tích tụ của mảng bám, vi khuẩn, các chất cặn bẩn khác và mang lại khả năng vệ sinh tối ưu.
2.4 Các tính năng hiện đại của nắp rửa điện tử WASHLET
Nước điện phân EWATER+ tiêu diệt vi khuẩn
Nước điện phân EWATER+ được tạo ra bằng cách sử dụng điện trường để hóa nước máy thành một chất tẩy tự nhiên, có khả năng tiêu diệt vi khuẩn hiệu quả. Đặc biệt, sau 2 giờ EWATER+ trở lại thành nước thông thường, do đó nước điện phân chính là giải pháp khử trùng hiệu quả mà không gây hại đến sức khỏe con người và môi trường.
Vòi rửa phun bọt khí đa chức năng với công nghệ AIR – IN WONDER WAVE
Công nghệ AIR – IN WONDER WAVE sử dụng bọt khí để tạo ra một dòng nước nhẹ nhàng và thoải mái để quá trình làm sạch trở nên dịu nhẹ hơn. Bên cạnh đó, vòi rửa phun bọt khí đa chức năng cung cấp đa dạng chế độ làm sạch khác như rửa sau, rửa trước, massage bằng dao động,… Nhờ đó, vòi rửa đã lại trải nghiệm vệ sinh tối ưu và thoải mái nhất cho người dùng.
Các tính năng khác của nắp rửa điện tử WASHLET
Nắp rửa điện tử WASHLET dòng C2 còn tích hợp nhiều tính năng tiện ích khác như: tính năng sấy khô tự động, sưởi ấm bệ ngồi, linh hoạt trong việc loại bỏ mùi,… Tất cả những tính năng này được ứng dụng với mục tiêu làm tăng trải nghiệm và đem đến sự hài lòng tối đa cho người dùng khi sử dụng bàn cầu CS948DW16
3. Thông số kỹ thuật của bàn cầu hai khối, kèm nắp rửa điện tử WASHLET dòng C2 CS948DW16
