| Loại | Tiểu nam treo tường |
| Men sứ chống bám bẩn | Không |
| Cấp nước | Phía trên |
| Dung tích xả | 2-4 lít |
| Hệ thống xả | Xả vành Rim |
| Xả tiểu tương thích | Các loại xả tiểu ống thẳng |
| Xả tiểu | Không bao gồm |
| Phụ kiện kèm theo | Phụ kiện lắp đặt. đã bao gồm gioăng nối tường |
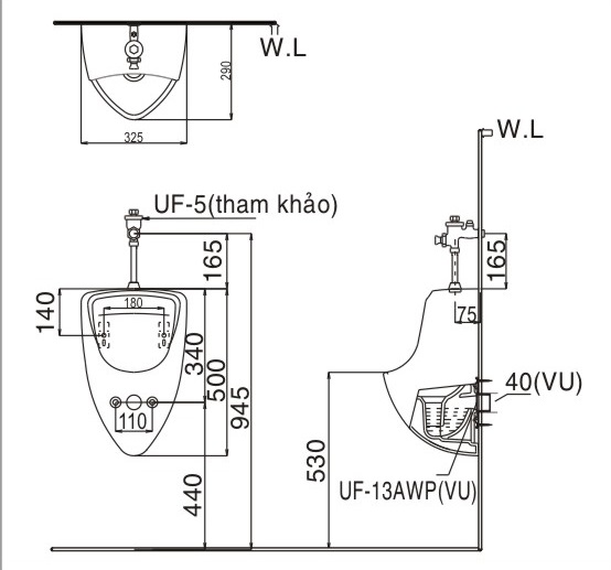
| Kích thước | 325x290x500 mm |
| Bảo hành | Nhấp để xem chính sách bảo hành |
INAX U-440V là mẫu bồn tiểu nam treo tường có thiết kế cực kỳ nhỏ gọn, phù hợp với những không gian nhà vệ sinh có diện tích hạn chế như văn phòng nhỏ, nhà hàng, quán café, nhà trọ hoặc khu vệ sinh công cộng. Với kích thước chỉ 500x318x75 mm (Rộng x Cao x Sâu), sản phẩm giúp tối ưu diện tích, đồng thời vẫn đảm bảo sự thoải mái và hiệu quả khi sử dụng.
Bồn tiểu INAX U-440V sử dụng cơ chế xả rửa bằng vành Rim – một trong những công nghệ xả giúp nước lan tỏa đều quanh thành bồn, rửa sạch hoàn toàn mọi ngóc ngách bên trong. Điều này hạn chế cặn bẩn tích tụ và giảm công sức vệ sinh định kỳ, giúp duy trì vẻ sạch sẽ và an toàn vệ sinh dài lâu.
Đây là lựa chọn lý tưởng cho các công trình cần thiết bị tiết kiệm nước, dễ vận hành và thân thiện với người sử dụng.
Sản phẩm được trang bị sẵn gioăng nối tường UF-13WP(VU), giúp đảm bảo việc lắp đặt đúng kỹ thuật, kín nước và giảm thiểu rò rỉ. Phụ kiện đi kèm chính hãng giúp tiết kiệm chi phí mua thêm, đồng thời tăng độ bền và ổn định trong quá trình sử dụng lâu dài.
1. Bồn tiểu U-440V có phù hợp với không gian nhỏ không?
Rất phù hợp. Với độ sâu chỉ 75mm, sản phẩm là giải pháp lý tưởng cho nhà vệ sinh nhỏ gọn.
2. Sản phẩm có sử dụng công nghệ xả thẳng hay xả vành Rim?
U-440V sử dụng cơ chế xả bằng vành Rim, giúp nước lan đều và làm sạch hiệu quả.
3. Có cần mua thêm phụ kiện khi lắp đặt không?
Không. Sản phẩm đã bao gồm gioăng nối tường UF-13WP(VU) chính hãng của INAX.
4. Bề mặt sứ có dễ bị bám bẩn không?
Không. Với lớp men cao cấp và công nghệ xả Rim, sản phẩm chống bám bẩn rất tốt và dễ vệ sinh.
5. Có thể lắp đặt cảm ứng cho sản phẩm này không?
Có thể, nếu chọn van xả cảm ứng tương thích với hệ thống bồn tiểu treo tường dạng xả ngoài.
6. Màu sắc sản phẩm có dễ phối với các thiết bị khác không?
Có. Sản phẩm có màu trắng sứ trung tính, dễ phối hợp với mọi phong cách thiết bị vệ sinh.
Bồn tiểu nam INAX U-440V treo tường là lựa chọn thông minh cho các công trình cần thiết bị vệ sinh nhỏ gọn, sạch sẽ và hiệu quả. Với thiết kế tối giản, công nghệ xả vành Rim lan nước đều, bề mặt sứ dễ lau chùi và đi kèm phụ kiện đầy đủ – sản phẩm mang đến giải pháp tiết kiệm diện tích mà vẫn đảm bảo vệ sinh tối đa. U-440V không chỉ phù hợp với công trình công cộng mà còn lý tưởng cho nhà riêng, văn phòng và các khu vực có lưu lượng sử dụng vừa phải.

Website đang trong quá trình thay đổi giá.
Vui lòng liên hệ Showroom hoặc 0799.69.88.86
để nhận báo giá tốt nhất.