Giới thiệu
Bồn tiểu nam là loại bồn tiểu được thiết kế ở tư thế đứng, được sử dụng phổ biến tại các nhà vệ sinh công cộng.
Các loại bồn tiểu nam đứng thường được thiết kế với vách ngăn nhằm hạn chế việc bắn nước tiểu ra ngoài, đồng thời cũng tạo nên không gian riêng tư cho người dùng.
Sản phẩm đến từ thương hiệu thiết bị vệ sinh cao cấp TOTO Nhật Bản
Tính năng nổi bật
- Bồn tiểu được thiết kế nhỏ gọn, tiện dụng tạo nên không gian đẹp
- Chế độ xả trải đều mạnh mẽ, tiết kiệm nước
- Phù hợp với điều kiện áp lực nước thấp
- Dễ vệ sinh
1.Tính năng
- Công nghệ tự động xả hiện đại, dễ sử dụng với chế độ xả trải đều mạnh mẽ, cuốn trôi mọi chất thải chỉ trong 1 lần xả.
- Thiết kế treo tường gọn gàng, không chiếm diện tích mà lại dễ dàng trong vấn đề vệ sinh, giữ không gian luôn khô ráo.
- Khoảng cách cảm biến hoạt động 650 mm, có thể nói là rất nhạy, mức cảm biến hoạt động ổn định.
- Bồn tiểu sử dụng loại DC pin khô, với tuổi thọ pin lên đến 2 năm cho 4000 lần xả/tháng. Với lớp men sứ chống dính, chống bám bẩn siêu chất lượng CEFIONTECT. Từ lâu đã được biết đến với khả năng chống bám bẩn tuyệt vời. Vi khuẩn, nấm mốc sẽ không còn cơ hội trú ẩn gây mầm bệnh.
- Được trang bị hệ thống xả tiết kiệm nước. Do đó, chỉ với lượng nước vừa đủ bạn đã có thể thấy những chất bẩn được cuốn trôi một cách nhanh chóng.
2. Đặc điểm nổi bật
- Bồn tiểu nam cảm ứng tự động USWN900AXW_HHF90603 được nhiều khách hàng ưa chuộng trong thời gian gần đây bởi sở hữu thiết kế hiện đại, có thể treo tường với vách ngăn tạo không gian riêng tư.
- Sản phẩm có cảm biến hoạt động nhạy, sử dụng pin khô, áp suất nước mạnh nhưng vẫn đảm bảo tiêu chi tiết kiệm nước tối đa.
- Bên cạnh đó, bồn tiểu còn được tráng men sứ chống dính CEFIONTECT cao cấp, công nghệ tự động xả hiện đại, thiết kế treo tường dễ dàng vệ sinh
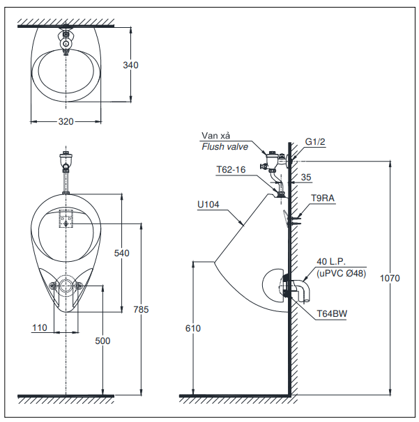
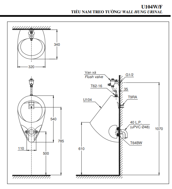
Bản vẽ kỹ thuật Bồn tiểu nam TOTO U104W treo tường

