| Loại lavabo | Lavabo đặt bàn |
| Thoát tràn | Có |
| Men sứ chống bám bẩn | Công nghệ men sứ Aqua Ceramic |
| Sử dụng cùng vòi lavabo | Vòi lavabo thấp |
| Phụ kiện kèm theo | Phụ kiện lắp đặt lavabo |
| Vòi lavabo | Không bao gồm |
| Bộ xả | Không bao gồm |
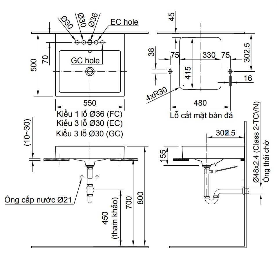
| Kích thước | 550x155x500 mm |
| Bảo hành | Nhấp để xem chính sách bảo hành |
Lavabo chậu rửa mặt INAX AL-536V nổi bật với dáng vuông mạnh mẽ, dứt khoát, mang lại vẻ đẹp hiện đại, chuyên nghiệp cho không gian phòng tắm. Thiết kế nổi hoàn toàn trên mặt bàn, tạo sự khác biệt so với các mẫu âm bàn hoặc bán âm truyền thống.
Kích thước 550 x 155 x 500 mm tạo cảm giác chắc chắn và rộng rãi, đáp ứng tốt nhu cầu sử dụng trong sinh hoạt gia đình và không gian thương mại cao cấp.
GC (3 lỗ – vòi 2 tay gạt): Phù hợp với phong cách cổ điển, sang trọng.
EC (3 lỗ – vòi 1 tay gạt): Cân bằng giữa hiện đại và tiện lợi.
FC (1 lỗ – vòi đơn): Tối giản, dễ lắp đặt, tiết kiệm không gian.
Nhờ đó, AL-536V dễ dàng tùy chỉnh phù hợp với phong cách thiết kế và nhu cầu sử dụng của từng gia đình hoặc công trình.
AL-536V được trang bị men Aqua Ceramic độc quyền của INAX:
Ngăn ngừa bám bẩn, cặn vôi, ố vàng
Tự làm sạch bằng nước, không cần hóa chất mạnh
Giữ trắng sáng đến 100 năm, bảo vệ thẩm mỹ và độ bền cho sản phẩm
Công nghệ này giúp sản phẩm luôn sạch sẽ – thẩm mỹ – an toàn, đáp ứng tiêu chuẩn chất lượng cao nhất.
Sản phẩm được tích hợp lỗ xả tràn thông minh, mang lại:
Khả năng chống tràn khi quên tắt vòi
Bảo vệ bàn đá và tủ chậu khỏi hư hại do nước
Đảm bảo vệ sinh và an toàn tối đa cho người sử dụng
Sản phẩm được sản xuất từ sứ vệ sinh cao cấp, nung ở nhiệt độ cao, bề mặt trơn bóng và có độ cứng vượt trội:
Không nứt vỡ, không bay màu
Chịu được va đập và nhiệt độ môi trường
Thân thiện với sức khỏe và môi trường
| Thông số | Chi tiết |
|---|---|
| Mã sản phẩm | INAX AL-536V |
| Kiểu dáng | Vuông, nổi hoàn toàn trên bàn |
| Kích thước | 550 x 155 x 500 mm (Dài x Cao x Rộng) |
| Lỗ xả tràn | Có – thiết kế tinh tế |
| Phiên bản | GC (3 lỗ – 2 tay gạt), EC (3 lỗ – 1 tay gạt), FC (1 lỗ) |
| Chất liệu | Sứ cao cấp chuẩn Nhật |
| Men phủ | Aqua Ceramic – trắng sạch 100 năm |
| Màu sắc | Trắng sứ bóng |
✅ Dáng vuông sang trọng – mạnh mẽ, hiện đại
✅ Đặt bàn hoàn toàn – nổi bật, dễ phối hợp bàn đá, tủ chậu
✅ Men Aqua Ceramic – chống bám, sáng sạch lên đến 100 năm
✅ 3 lựa chọn lỗ vòi – linh hoạt theo phong cách sử dụng
✅ Lỗ xả tràn tiện lợi – chống tràn hiệu quả
✅ Chất lượng sứ cao cấp – bền đẹp, đạt tiêu chuẩn Nhật Bản
1. Lavabo AL-536V có phù hợp với mọi loại bàn đá không?
Có. Thiết kế đặt nổi hoàn toàn phù hợp với mặt đá granite, marble, gỗ công nghiệp chống nước…
2. 3 phiên bản GC, EC, FC khác gì nhau?
Khác biệt nằm ở số lỗ gắn vòi: GC (3 lỗ, vòi 2 tay gạt), EC (3 lỗ, vòi 1 tay gạt), FC (1 lỗ, vòi đơn).
3. Aqua Ceramic có giữ được độ trắng lâu dài không?
Có. Công nghệ này giúp men luôn sáng sạch, hạn chế tối đa bám bẩn và giữ trắng đến 100 năm.
4. Có thể thay đổi loại vòi về sau không?
Chỉ khi bạn chọn đúng phiên bản phù hợp ban đầu. Lỗ khoét không thể thay đổi sau khi đã sản xuất.
5. Có thể sử dụng cho spa, khách sạn không?
Rất phù hợp. Thiết kế chắc chắn, thẩm mỹ cao và bền bỉ đáp ứng tiêu chuẩn thương mại.
6. Lắp đặt có phức tạp không?
Không. Sản phẩm lắp đơn giản như các dòng đặt bàn tiêu chuẩn, chỉ cần khoét mặt bàn đúng kích thước.
Lavabo chậu rửa mặt INAX AL-536V đặt bàn là lựa chọn đỉnh cao cho không gian phòng tắm hiện đại và chuyên nghiệp. Thiết kế vuông mạnh mẽ, men Aqua Ceramic trắng sạch bền lâu, cùng sự linh hoạt trong lựa chọn phiên bản vòi giúp sản phẩm phù hợp với mọi phong cách nội thất từ cổ điển đến tối giản.
+ L: Sứ thường
+ AL: Sứ AquaCeramic
+ VFC: 1 lỗ (lỗ lắp vòi lavabo)
+ VEC: 3 lỗ
+ VGC: 3 lỗ gắn vòi 2 tay gạt
+ BW1: Sứ màu trắng
*** Lưu ý: Với tất cả các mẫu lavabo, công ty chúng tôi chỉ có sẵn hàng loại 1 lỗ (VFC), vì vây quý khách hàng đặt hàng mặc định chúng tôi sẽ giao mẫu 1 lỗ (VFC). Quý khách hàng có nhu cầu lavabo 3 lỗ vui lòng liên hệ để đặt hàng trước.

