| Loại lavabo | Lavabo treo tường |
| Thoát tràn | Có |
| Men sứ chống bám bẩn | Không |
| Sử dụng cùng vòi lavabo | Vòi lavabo gắn tường |
| Phụ kiện kèm theo | Phụ kiện lắp đặt lavabo |
| Vòi lavabo | Không bao gồm |
| Bộ xả | Đã bao gồm nút chặn nước (A-017V) và ống thải chữ P (A-675V) |
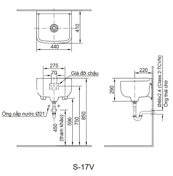
| Kích thước | 410x290x410 |
| Bảo hành | Nhấp để xem chính sách bảo hành |
Lavabo chậu rửa mặt INAX S-17V treo tường là mẫu chậu được thiết kế chuyên biệt cho các không gian chuyên dụng như phòng thí nghiệm, bệnh viện, trạm y tế, nhà thuốc hoặc các khu vực yêu cầu độ sạch cao và dễ bảo trì. Thiết kế treo tường gọn gàng giúp tiết kiệm diện tích sàn, thuận tiện cho việc lắp đặt và dễ dàng vệ sinh khu vực xung quanh.
Với kích thước 410x290x410 mm, sản phẩm có hình khối vuông vức, chắc chắn, phù hợp cho những khu vực cần thao tác nhanh, sạch và an toàn.
INAX S-17V được sản xuất từ sứ cao cấp theo tiêu chuẩn Nhật Bản, có khả năng chịu lực tốt và bề mặt phủ men trắng sáng trơn bóng. Điều này không chỉ giúp tăng tuổi thọ sản phẩm mà còn đảm bảo vệ sinh tối đa, chống bám bẩn và dễ lau chùi bằng nước sạch mà không cần dùng hóa chất mạnh.
Lớp men mịn chống bám vi khuẩn, hỗ trợ giữ sạch chậu rửa trong các môi trường có yêu cầu cao về an toàn sinh học.
Không giống các mẫu chậu rửa thông thường, S-17V được đánh giá là chậu rửa đa năng. Thiết kế đơn giản nhưng tối ưu giúp sản phẩm phù hợp sử dụng trong nhiều hoàn cảnh khác nhau như:
Bệnh viện, phòng khám
Phòng thí nghiệm, nhà máy
Trường học, nhà trẻ
Khu vực rửa tay phụ trong gia đình hoặc nhà trọ
Đặc biệt, sản phẩm đã bao gồm sẵn nút chặn nước (A-017V) và ống thải chữ P (A-675V) – tiện lợi khi lắp đặt, tiết kiệm thời gian và chi phí mua thêm phụ kiện.
1. Lavabo INAX S-17V có phù hợp với không gian dân dụng không?
Có thể sử dụng, nhưng sản phẩm được thiết kế tối ưu hơn cho các không gian chuyên biệt như bệnh viện, phòng thí nghiệm hoặc trường học.
2. Sản phẩm có kèm theo phụ kiện gì không?
Có. S-17V đi kèm nút chặn nước A-017V và ống thải chữ P A-675V, giúp tiết kiệm chi phí mua thêm.
3. Men sứ có dễ trầy xước không?
Không. Lớp men sứ cao cấp có khả năng chống trầy, chống ố vàng, và rất dễ vệ sinh với khăn mềm hoặc nước sạch.
4. Có cần mua thêm giá đỡ hoặc chân chậu không?
Không cần. Thiết kế treo tường nhỏ gọn không cần chân hoặc giá đỡ bổ sung.
5. Có thể lắp thêm vòi cảm ứng không?
Có thể, nếu chọn đúng phiên bản vòi phù hợp với kiểu chậu và không gian lắp đặt.
6. Lavabo có khả năng chống bám vi khuẩn không?
Có. Lớp men trơn bóng giúp giảm thiểu sự tích tụ vi khuẩn và rất dễ vệ sinh, phù hợp cho không gian cần sạch cao.
Lavabo chậu rửa mặt INAX S-17V treo tường là dòng sản phẩm chuyên dụng, nhỏ gọn và đa năng, lý tưởng cho các không gian như bệnh viện, phòng thí nghiệm, trường học và nhà máy. Với thiết kế treo tường tiết kiệm không gian, sứ cao cấp phủ men trơn sáng bóng, dễ vệ sinh và độ bền cao – S-17V là lựa chọn tối ưu cho những nơi cần yếu tố sạch sẽ, tiện lợi và hiệu quả. Sản phẩm còn được trang bị sẵn phụ kiện kèm theo, hỗ trợ lắp đặt nhanh chóng và tiết kiệm chi phí.
+ L: Sứ thường
+ AL: Sứ AquaCeramic
+ VFC: 1 lỗ (lỗ lắp vòi lavabo)
+ VEC: 3 lỗ
+ VGC: 3 lỗ gắn vòi 2 tay gạt
+ BW1: Sứ màu trắng
*** Lưu ý: Với tất cả các mẫu lavabo, công ty chúng tôi chỉ có sẵn hàng loại 1 lỗ (VFC), vì vây quý khách hàng đặt hàng mặc định chúng tôi sẽ giao mẫu 1 lỗ (VFC). Quý khách hàng có nhu cầu lavabo 3 lỗ vui lòng liên hệ để đặt hàng trước.

Website đang trong quá trình thay đổi giá.
Vui lòng liên hệ Showroom hoặc 0799.69.88.86 để nhận báo giá tốt nhất.